Pièces détachées Honda Varadero XL1000V6 MUTE BLACK METALLIC (NH359) 2006

Filtrer par type de pièce :
  • Moteur
  • Cadre
  • Pièces d'entretien

    ENTRETIEN, RÉVISION

    COUVERCLE DE CULASSE XL1000V6 de 2006

    COUVERCLE DE CULASSE

    CULASSE DE CYLINDRE AVANT XL1000V6 de 2006

    CULASSE DE CYLINDRE AVANT

    CULASSE DE CYLINDRE AR. XL1000V6 de 2006

    CULASSE DE CYLINDRE AR.

    ARBRE A CAMES/SOUPAPE XL1000V6 de 2006

    ARBRE A CAMES/SOUPAPE

    CHAINE A CAMES/TENDEUR XL1000V6 de 2006

    CHAINE A CAMES/TENDEUR

    PANNEAU CARTER-MOTEUR D. XL1000V6 de 2006

    PANNEAU CARTER-MOTEUR D.

    POMPE A EAU XL1000V6 de 2006

    POMPE A EAU

    EMBRAYAGE XL1000V6 de 2006

    EMBRAYAGE

    GENERATEUR D'IMPULSIONS/ EMBRAYAGE DE DEMARRAGE XL1000V6 de 2006

    GENERATEUR D'IMPULSIONS/ EMBRAYAGE DE DEMARRAGE

    GENERATRICE XL1000V6 de 2006

    GENERATRICE

    PANNEAU DE CARTER-MOTEUR XL1000V6 de 2006

    PANNEAU DE CARTER-MOTEUR

    MOTEUR DE DEMARRAGE XL1000V6 de 2006

    MOTEUR DE DEMARRAGE

    POMPE A HUILE XL1000V6 de 2006

    POMPE A HUILE

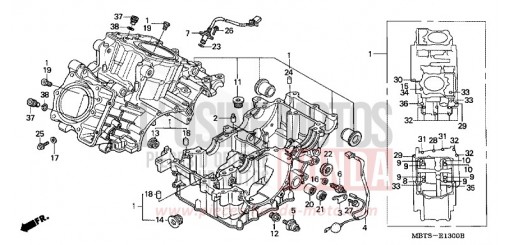
    CARTER MOTEUR XL1000V6 de 2006

    CARTER MOTEUR

    VILEBREQUIN/PISTON XL1000V6 de 2006

    VILEBREQUIN/PISTON

    BOITE DE VITESSES XL1000V6 de 2006

    BOITE DE VITESSES

    BARILLET DE SELECTION XL1000V6 de 2006

    BARILLET DE SELECTION

    TUYAU D'EAU XL1000V6 de 2006

    TUYAU D'EAU

    CORPS DE PAPILLON (ENS.) XL1000V6 de 2006

    CORPS DE PAPILLON (ENS.)

    CORPS DE PAPILLON (PIECES CONSTITUTIVES) XL1000V6 de 2006

    CORPS DE PAPILLON (PIECES CONSTITUTIVES)

    PROJECTEUR XL1000V6 de 2006

    PROJECTEUR

    COMPTEUR XL1000V6 de 2006

    COMPTEUR

    COMMUTATEUR/CABLE/LEVIER XL1000V6 de 2006

    COMMUTATEUR/CABLE/LEVIER

    MAITRE-CYLINDRE FREIN AV. (XL1000V) XL1000V6 de 2006

    MAITRE-CYLINDRE FREIN AV. (XL1000V)

    VALVE DE DELAI (XL1000V) XL1000V6 de 2006

    VALVE DE DELAI (XL1000V)

    TUYAU DE GUIDON/PONT SUPERIEUR XL1000V6 de 2006

    TUYAU DE GUIDON/PONT SUPERIEUR

    TIGE DE DIRECTION XL1000V6 de 2006

    TIGE DE DIRECTION

    AILE AVANT XL1000V6 de 2006

    AILE AVANT

    FOURCHETTE AVANT (XL1000V) XL1000V6 de 2006

    FOURCHETTE AVANT (XL1000V)

    ETRIER DE FREIN AVANT (D.) (XL1000V) XL1000V6 de 2006

    ETRIER DE FREIN AVANT (D.) (XL1000V)

    ETRIER DE FREIN AVANT (G.) (XL1000V) XL1000V6 de 2006

    ETRIER DE FREIN AVANT (G.) (XL1000V)

    ROUE AVANT XL1000V6 de 2006

    ROUE AVANT

    MAITRE-CYLINDRE FREIN AR. CYLINDRE (XL1000V) XL1000V6 de 2006

    MAITRE-CYLINDRE FREIN AR. CYLINDRE (XL1000V)

    COMMANDE DE DOSAGE SOUPAPE (XL1000V) XL1000V6 de 2006

    COMMANDE DE DOSAGE SOUPAPE (XL1000V)

    ETRIER DE FREIN ARRIERE (XL1000V) XL1000V6 de 2006

    ETRIER DE FREIN ARRIERE (XL1000V)

    ROUE ARRIERE XL1000V6 de 2006

    ROUE ARRIERE

    RESERVOIR A CARBURANT XL1000V6 de 2006

    RESERVOIR A CARBURANT

    SIEGE XL1000V6 de 2006

    SIEGE

    MOULURE DE SIEGE/COUVERCLE LATERAL XL1000V6 de 2006

    MOULURE DE SIEGE/COUVERCLE LATERAL

    FILTRE A AIR XL1000V6 de 2006

    FILTRE A AIR

    SOLENOIDE DE CONTROLE DE BYPASSE SOUPAPE XL1000V6 de 2006

    SOLENOIDE DE CONTROLE DE BYPASSE SOUPAPE

    COMMANDE INJECTION D'AIR SOUPAPE XL1000V6 de 2006

    COMMANDE INJECTION D'AIR SOUPAPE

    SILENCIEUX D'ECHAPPEMENT XL1000V6 de 2006

    SILENCIEUX D'ECHAPPEMENT

    PEDALE XL1000V6 de 2006

    PEDALE

    MARCHE XL1000V6 de 2006

    MARCHE

    BEQUILLE XL1000V6 de 2006

    BEQUILLE

    BRAS OSCILLANT XL1000V6 de 2006

    BRAS OSCILLANT

    COUSSIN ARRIERE (XL1000V) XL1000V6 de 2006

    COUSSIN ARRIERE (XL1000V)

    GARDE-BOUE ARRIERE XL1000V6 de 2006

    GARDE-BOUE ARRIERE

    CLIGNOTANT XL1000V6 de 2006

    CLIGNOTANT

    FEU ARRIERE XL1000V6 de 2006

    FEU ARRIERE

    BATTERIE XL1000V6 de 2006

    BATTERIE

    FAISCEAU DES FILS (XL1000V) XL1000V6 de 2006

    FAISCEAU DES FILS (XL1000V)

    CARROSSERIE DE CHASSIS (XL1000V) XL1000V6 de 2006

    CARROSSERIE DE CHASSIS (XL1000V)

    OUTILS XL1000V6 de 2006

    OUTILS

    RADIATEUR XL1000V6 de 2006

    RADIATEUR

    PANNEAU SUPERIEUR XL1000V6 de 2006

    PANNEAU SUPERIEUR

    PANNEAU INFERIEUR XL1000V6 de 2006

    PANNEAU INFERIEUR

    ETIQUETTE DE PRECAUTIONS XL1000V6 de 2006

    ETIQUETTE DE PRECAUTIONS

    MARQUE (E,ED,EK,F,G) XL1000V6 de 2006

    MARQUE (E,ED,EK,F,G)